销售合作
13805530511

阀体材质:WCB、304、316
阀芯材质:WCB、304、316
阀座材质:PTFE
连接方式:法兰、螺纹、焊接式
压力等级:PN16、PN25、PN40
作用方式:加热型、冷却型
温度范围:0~100,50~150,100~200,150~250,200~300
电源电压:AC220V
手机
13805530511
QQ交流
154191862
电话咨询
0553-3819777
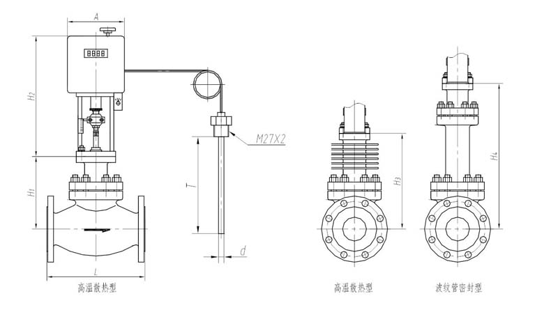
电动温控调节阀需外加220V.AC电源,利用被调介质自身能量实现温度自动调节的执行器产品。该产品有单座、套筒、双座、三通)调节阀。有用于加热调节(B型)和用于冷却调节(K型)二种供选择。有较宽的温度(0~300℃)设定范围。温度设定方便,设定时用温度刻度盘指示,运行期间也可连续设定。
直通单座调节阀是一种顶导向结构的调节阀。采用球形阀体,具有结构紧凑、调节精度高、压缩损失小、流量特性精确、导向面积大、防振动等特点。
按工况要求可配用气动、电动执行结构,整机输出力大、动作灵敏 可调节范围大、维护方便,可用于控制各种不同工况的流体,适应各种苛刻的工作条件。
广泛应用于石油、化工、电力、轻纺、造纸等行业,特备适用于泄露量小、阀前阀后压差不大的工作场合。
结构大类:单座
阀芯型式: 柱塞式
结构类型:标准型、调节切断型、散热型、波纹管密封型、低温型。



关注公众号