销售合作
13805530511

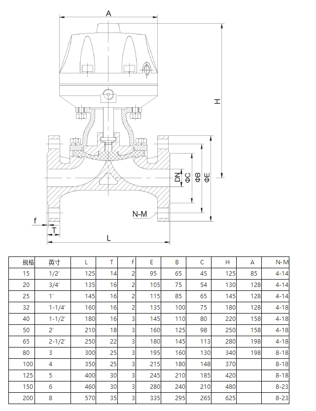
阀体材质: 304、316、316L
衬里材质:衬氟、衬胶、无衬
连接方式:法兰式
压力等级: PN10
控制方式: 常闭式、常开式、双作用往复式
气缸材质: PA、不锈钢
可选附件:限位开关、换向电磁阀、定位器等
手机
13805530511
QQ交流
154191862
电话咨询
0553-3819777
不锈钢气动隔膜阀主要用于腐蚀性有毒介质隔膜阀膜片将阀体下部内腔与阀盖内腔隔开,并与之形成直流通道,使隔膜上部的阀杆、阀瓣等内件与介质完全隔离,省去填料密封结构,介质的内漏和外漏可同时避免。衬氟隔膜阀表面均匀包覆一层FEP。阀体通道内表面光滑,流体阻力小,CV值高,流通能力强,扭矩适中,采用四级密封结构并在密封面外配以耐温抗老化的SI橡胶的弹性衬垫阀座,完全达到介质的零泄漏。
※ 用于腐蚀性有毒介质。
※ 阀体通道内表面光滑,流体阻力小,CV值高,流通能力强。
※ 采用四级密封结构并在密封面外配以耐温抗老化的SI橡胶的弹性衬垫阀座,在腐蚀性以及有毒介质完全达到介质的零泄漏。
※ 安装容易,操作简便,故障率低,维护方便。
| 气动执行器 | 常闭式、常开式、双向式 |
| 气缸材质 | 聚酰胺、不锈钢 |
| 公称压力 | 10bar |
| 连接方式 | 法兰式 |
| 设计标准 | GB、DIN、ISO、SMC |
| 阀体材质 | 304、316、316L |
| 膜片材质 | 单层EPDM、双层PTFE+EPDM |
| 气源压力 | 4-7bar |
| 可选附件 | 电磁阀、限位开关、电气定位器 |

关注公众号